Lockwood 3570 Series Electric Mortice Lock
Designed and manufactured in Australia, the 3570 series electric mortice is a high performance lock of superior quality. It is constructed from high grade zinc alloy, with a stainless steel latch bolt and face plate and is suited for all commercial applications.
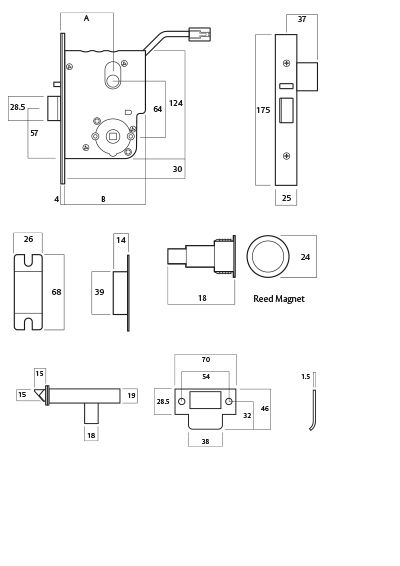
The lock can be operated by push buttons, intercom systems and key switches; or integrated with electronic access control systems for use with higher security devices such as keypads or card readers.
Key Features
Designed with flexibility in mind, the one lock can cover all functions and is easily configured on site for the required application. Available in non monitored and monitored versions.
Monitoring features:
- Dead latched and Locked
- Door position/Reed switch
- Dual key override monitoring
- Request to exit/REX
- LED indication
Field Changeable settings:
- Fail safe/fail secure configuration.
- Multi-voltage - will work on 12-24 Vdc systems.
- Handing - left hand and right hand doors
- Selection of free lever or locked lever on both sides of the door
- Key override monitoring either side of the door
- Monitoring contacts - normally closed, normally open (for key override and request
to exit only)
Standards and Compliance
- SL8 (Security) Australian Lock Standard (AS4145.2.2008) (when used with equivalent security level keying system)
- D8 (Durability) Australian Lock Standard (AS4145.2.2008)
- RCM Certified
- SCEC Endorsed for SL3 Medium Threat Level Areas
Lockwood 3570 Series Electric Mortice Lock
Similar products
Lockwood Hi-O Room Guard Locking System
One touch privacy with plug and play connectivity.Lockwood Selector® Series Electric Mortice Locks
Designed and manufactured in Australia the Selector 3782EL is a high performance electric mortice lock for narrow stile hinged doors.Lockwood Power Transfer Lead
Ensure unbroken transfer of wires between door and frame.